您的位置:首页 > 属具 > 叉车属具 > 其他属具 > 其他 > 产品详情

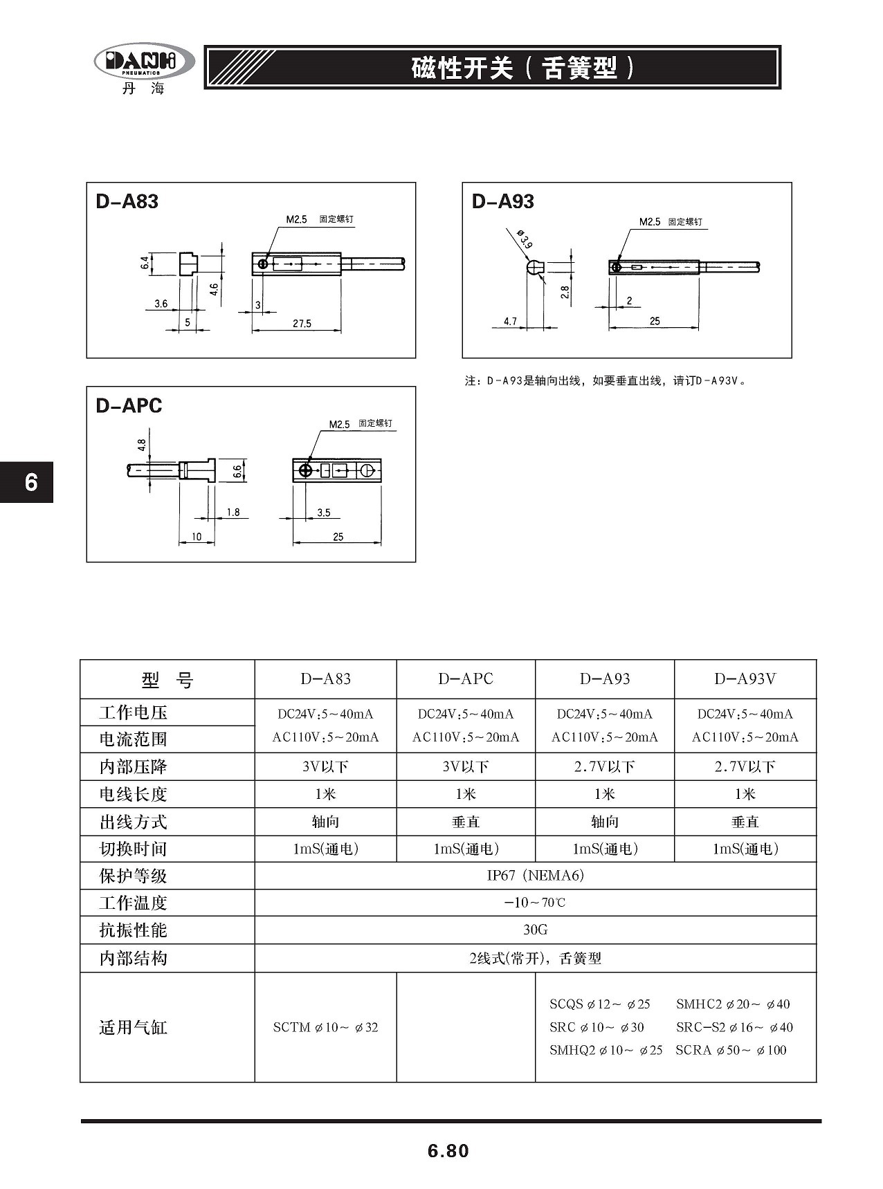
韩国DANHI丹海D-A83D-A93D-APC舌簧磁性开关气缸位置定位感应开关

韩国DANHI丹海D-A83D-A93D-APC舌簧磁性开关气缸位置定位感应开关

  • 品牌:韩国DANHI丹海
  • 发货地点:中国河北省石家庄市
  • 更新时间:2026-01-30 09:25
  • 立即询价

    加入收藏

    中国叉车网(www.chinaforklift.com)客服咨询

普通商家

产品详情

产品图片


韩国DANHI丹海?2?7簧型磁性开关,气缸限位开关,行程开关,接近开关,感应开关,气缸磁环开关,磁性开关感应器,磁控接近传感器,气缸磁性感应器,磁性感应开关,感应传感器,气缸限位器,气缸感应器,气缸传感器,气缸感应线,气缸磁环感应线,接近传感器,磁力开关,气缸信号传感器:D-A83,D-APC,D-A93,D-A93V。